ADS1299
Features
• Up to Eight Low-Noise PGAs and Eight HighResolution Simultaneous-Sampling ADCs
• Input-Referred Noise: 1 μVPP (70-Hz BW)
• Input Bias Current: 300 pA
• Data Rate: 250 SPS to 16 kSPS
• CMRR: –110 dB
• Programmable Gain: 1, 2, 4, 6, 8, 12, or 24
• Unipolar or Bipolar Supplies: – Analog: 4.75 V to 5.25 V – Digital: 1.8 V to 3.6 V
• Built-In Bias Drive Amplifier, Lead-Off Detection, Test Signals
• Built-In Oscillator
• Internal or External Reference
• Flexible Power-Down, Standby Mode
• Pin-Compatible with the ADS129x
• SPI-Compatible Serial Interface
• Operating Temperature Range: –40°C to +85°C

데이트 시트 : http://www.ti.com/lit/ds/symlink/ads1299.pdf
EEG front end : https://www.ti.com/lit/ug/slau443b/slau443b.pdf
ECG front end :https://www.ti.com/lit/an/sbaa536a/sbaa536a.pdf
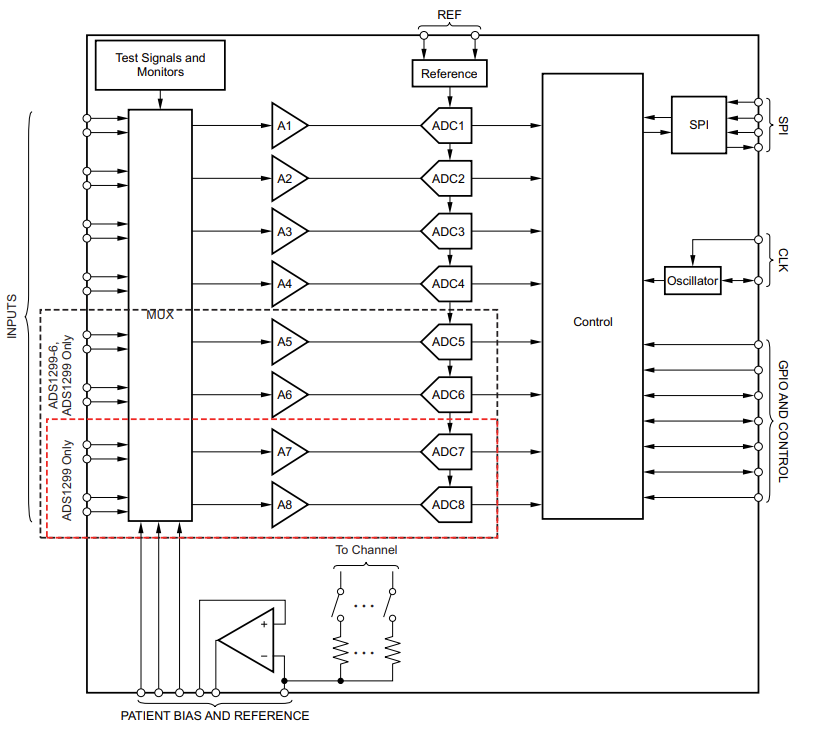
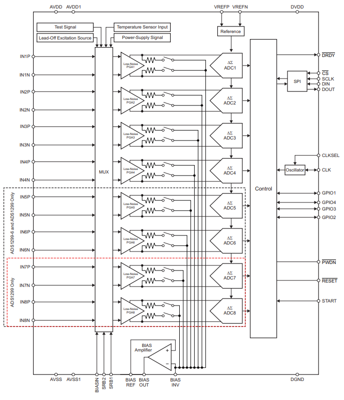
ADS1299 기능 블럭

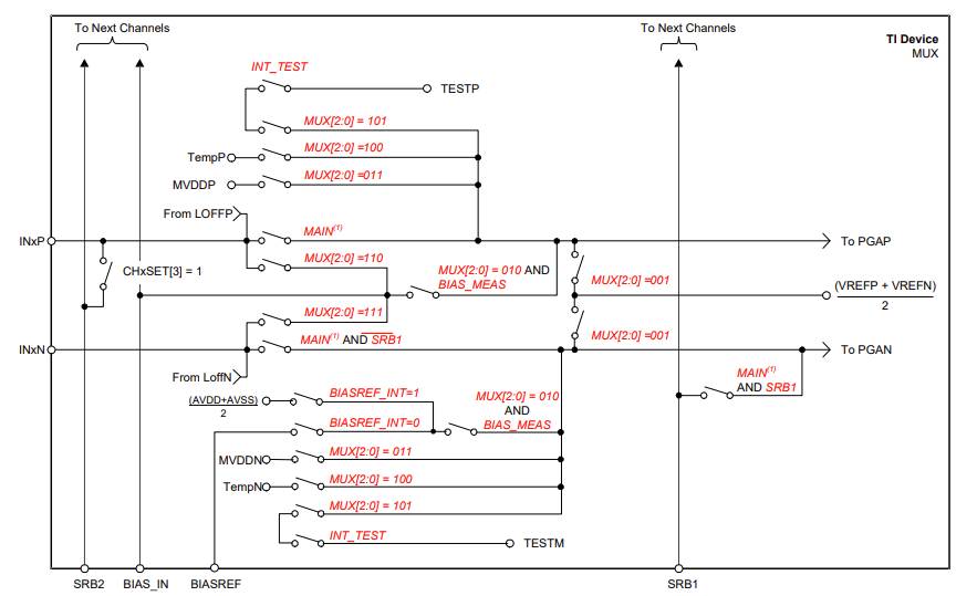
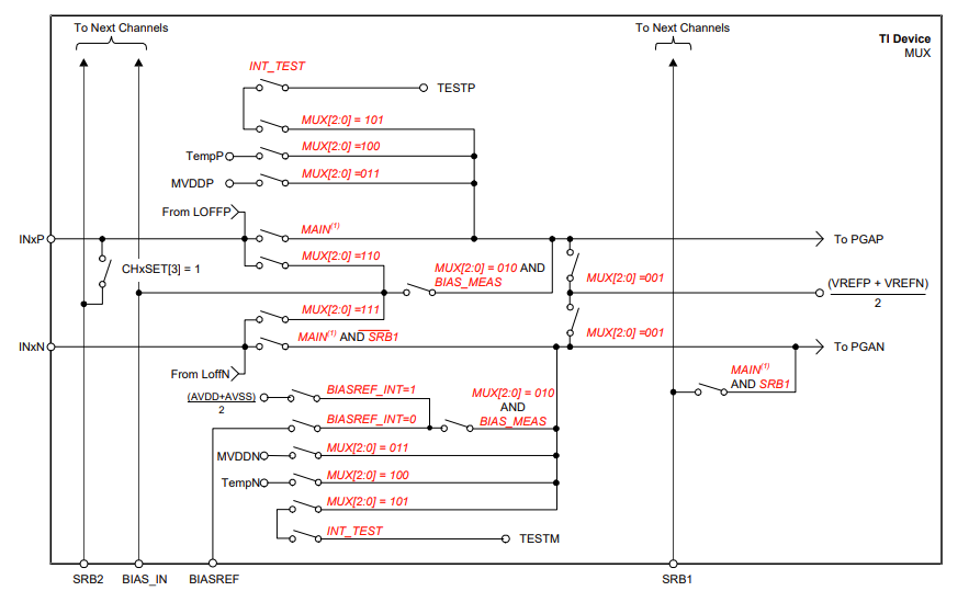
ADS1299 . Input MUX

ADS1299 . AD 변환 포맷
- 2's complement

입력단 R,C 예

연관
C/C++ . 부호 있는 정수 singed int . 음수 표현 규격 . 2's complement
signed int 최상위 바이트 메모리 표현 규격 int8_t , int32_t , int64_t 등에서 음수 양수를 메모리에 표현하는 규격 양수 : 최상위 바이트의 최상위 비트 = 0 음수 : 최상위 바이트의 최상위 비트 = 1 singned
igotit.tistory.com
첫 등록 : 2023.08.26
최종 수정 :
단축 주소 : https://igotit.tistory.com/4800
'임베디드.일렉트로닉스' 카테고리의 다른 글
| GDEW042T2 . 전자 종이 디스플레이 4.2 인치 (0) | 2023.09.17 |
|---|---|
| 아날로그 스위치 . (0) | 2023.08.30 |
| ADS1285 . 32비트 ADC (0) | 2023.08.10 |
| LTC2508-32 . 32비트 ADC (0) | 2023.08.10 |
| J-LINK . 디버거 (0) | 2023.07.26 |
댓글