본문 바로가기

임베디드.일렉트로닉스/STM32   ( 131 )


STM32 USB DFU, STM32 펌웨어 업데이트관련 개발 리소스 - DfuSe 개요,설치 개요 - STM32 USB DFU(Device Firmware Update). DfuSe USB 통하여 STM32 의 펌웨어 업데이트 하기 위한 유틸리티인 DfuSe 는 아래 주소에서 배포 되고 있다. DfuSe 제조사 제공 다운로드 주소 http://www.st.com/web/en/catalog/tools/FM147/CL1794/SC961/SS1533/PF257916 의 가장 하단 Get Software 부분의 STSW-STM32080 의 download 버튼클릭하면 가장 최신 버전의 것을 받을 수 있다. 버전 이력.최신버전을 다운로드 받아 설치한다. DfuSe 2019년 1월 9일 최신버전 : 3.0.6DfuSe 2016년 4월 최신 버전 : 3.0.4 DfuSe예제프로그램 사용법 문서 pdf 보기 .. 2019. 1. 9.
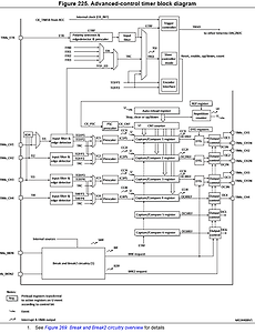
STM32. L4x6. Timers 개요 STM32 는 타이머가 매우 많이 제공되며, 특징별로 아래 처럼 분류 된다. Advanced control timers : TIM1, TIM8 General purpose timers : TIM2, TIM3, TIM4, TIM5 General purpose timers : TIM15, TIM16, TIM17 Basic Timers : TIM6, TIM7 Advanced control timer. TIM1 TIM8 기능블럭도 General purpose timers. TIM2 TIM3 TIM4 TIM5 기능블럭도. TIM15 기능블럭도. TIM16 TIM17 General purpose timers. TIM15 TIM16 TIM17 기능블럭도 Basic timers. TIM6 TIM7 기능 블럭도 연.. 2018. 12. 23.
STM32CubeMX Bug. 클럭설정코드 누락 오류 및 해결책. 버그 있는 버전 : STM32CubeMX version 4.25.0 오류증상 및 해결책. - STM32CubeMX 에서 Clock Configuration 설정 에서 PLLM : /6 선택 하여 코드 자동생성시켜도 코드에서는 누락되어 심각한 오류(main 의 while 문내에 진입도 못함) 발생한다. STM32CubeMX 에서 자동으로 코드 생성시킬때마다 아래처럼 붉은색 부분을 추가해줘야 함. void SystemClock_Config(void) {...... RCC_OscInitStruct.PLL.PLLM = 6;// 내가 추가함. STM32CubxMX 4.25.0 의 버그임. RCC_OscInitStruct.PLL.PLLN = 40; .... } 참고 : 현재(2018년 12월 18일) STM32Cu.. 2018. 12. 18.
STM32CubeMX. SW4STM32 프로젝트 생성. 동영상 : STM32CubeMX 에서 SW4STM32 용 프로젝트 생성방법 첫글등록 : 2018년 5월 15일최종수정 : 2018년 12월 13일. 본글단축주소 : https://igotit.tistory.com/1975 2018. 12. 13.
SW4STM32. MCU ( STM32 ) 에 펌웨어 기록하기. 디버그 ( ST- LINK V2 )가 PC 에 USB 로 연결된 상태에서 아래 동영상 처럼 SW4STM32 에서 처리 하면 펌웨어가 MCU 플래시 영역에 기록된다. 동영상.- SW4STM32 에서 작업중인 펌웨어를 MCU 에 기록하기 첫글등록 : 2018년 12월 13일.최종수정 : 본글단축주소 : https://igotit.tistory.com/1974 2018. 12. 13.
STM32CubeMX. Crystal. Clock Configuration. 개요 STM32 에 외부 크리스탈 연결한 경우 필수 설정. 본 설명에서의 구체적인 상황. - MCU : STM32L476RE 에 외부 크리스탈 24MHz 연결되어있는 상태. STM32CubeMX 에서 외부 크리스탈 사용가능하게 설정. - STM32CubeMx 실행하여 Peripheral .의 RCC 에서 High Speed Clock 에서 Crystal / Ceramic 선택한다. 상기 설정이후, Clock Configuration 설정- 통상 아래와 같이 설정하면 무난하게 사용가능함. 방법요점. STM32CubeMX 실행하여, , 1. 탭 Clock Configuration 에서 설정 항목 6개 . 항목1. Input frequency : 외부연결된 크리스탈의 주파수 MHz 단위로 기록. 항목2. PL.. 2018. 12. 11.
STM32. L4x6. Voltage Reference Buffer (VREFBUF) 개요 - 내장된 Voltage Reference 가 있다. - 내장 ADC, DAC 의 기준전압으로 사용된다. - 핀 VREF+ 로 기준전압 출력 낼 수도 있다. - When the VREF+ pin is double-bonded with VDDA pin in a package, the voltage reference buffer is not available and must be kept disabled (refer to datasheet for packages pinout description). 본 글의 정보소스 : RM0351 STM32L4x6 Reference Manual page 679~ 기능상세. 레지스터 VREFBUF 의 비트 VRS 에 값 설정에 따라 전압이 다름. VRS = 0 : 2... 2018. 12. 10.
STM32. DAC 활용 방법 개요 STM32 의 내장 DAC 활용하는 방법. 본 설명에서의 구체적인 상황. 타겟칩 : STM32L4x6 페리페랄 : DAC 타겟보드 : D1P123R1 개발 IDE : KEIL MDK-ARM 혹은 SW4STM32 모두 가능. STM32CubeMX 기반하여 DAC 설정처리하고 IDE 에서 코딩한다. 참고 : STM32 는 모두 사용법이 비슷하니 위 세부 개발환경에 집착할 필요없음. DAC 활용 방법 기본. STM32CubeMX 에서 DAC 기능 설정 처리완료하고, 이를 프로젝트 코드에 적용시키고 이를 IDE(SW4STM32 , KEIL MDK-ARM 등 ) 에서 필요한 DAC 제어함수 작성하여 활용한다. DAC 출력핀 지정. STM32 의 DAC 사양 을 보면 DAC 출력은 DAC_OUT1 은 PA4 .. 2018. 12. 10.
STM32. ADC 활용 방법 개요 STM32 의 내장 ADC 활용하는 방법. 본 설명에서의 구체적인 상황. 타겟칩 : STM32L4x6 페리페랄 : ADC 타겟보드 : D1P123R1개발 IDE : KEIL MDK-ARM 혹은 SW4STM32 모두 가능. STM32CubeMX 기반하여 ADC 설정처리하고 IDE 에서 코딩한다. 참고 : STM32 는 모두 사용법이 비슷하니 위 세부 개발환경에 집착할 필요없음. ADC 활용 방법 기본. STM32CubeMX 에서 ADC 기능 설정 처리완료하고, 이를 프로젝트 코드에 적용시키고 이를 IDE(SW4STM32 , KEIL MDK-ARM 등 ) 에서 필요한 ADC 제어함수 작성하여 활용한다. STM32CubeMX 에서 ADC 설정. 1. ADC 용으로 사용할 STM32 핀 지정. STM32 .. 2018. 12. 10.
STM32L4x6. USART 개요. STM32L4x6 USART 3개의 USART : USART1, USART2, USART3 2개의 UART : UART4, UART5. 1개의 LPUART : LPUART1. USART main features • Full-duplex asynchronous communications • NRZ standard format (mark/space) • Configurable oversampling method by 16 or 8 to give flexibility between speed and clock tolerance • A common programmable transmit and receive baud rate of up to 10 Mbit/s when the clock frequency .. 2018. 12. 10.
STM32. L4x6. DAC (Digital to Analog Converter) 개요. STM32L4x6 DAC 2개의 DAC 출력가능. 8/9/12 bit, 전압출력형 주요특징. • One DAC interface, maximum two output channels • Left or right data alignment in 12-bit mode • Synchronized update capability • Noise-wave and Triangular-wave generation • Dual DAC channel for independent or simultaneous conversions • DMA capability for each channel including DMA underrun error detection • External triggers for conversion.. 2018. 12. 8.
STM32. L4x6. ADC ( Analog to Digital Converter ) 개요. STM32L4x6 ADC 3개의 ADC : ADC1, ADC2, ADC3 ADC 타입, 해상도 : SAR, 12bit. ADC 채널 : 20 multiplexed channels. 특징들. • High-performance features – Up to 3 ADCs, out of which two of them can operate in dual mode: ADC1 is connected to 16 external channels + 3 internal channels ADC2 is connected to 16 external channels + 2 internal channels ADC3 is connected to 12 external channels + 4 internal channels –.. 2018. 12. 8.
SW4STM32. 사용자 정의 소스 경로 추가방법. SW4STM32 에서 사용자 정의 소스 경로 추가 방법. SW4STM32 프로젝트 에서 기본 설정된 소스 경로외에 사용자 정의 소스 경로 추가 방법. 상황예. 1. 프로젝트 폴더에 사용자 추가한 LXSL 폴더가 있고 하위에 LXSL_SET0, 1, 2 .. 등의 폴더 있는 구조. 2. 상기1의 폴더에도 소스가 있음을 SW4STM32 에서 설정하는 것. 3. 메인폴더인 LXSL 만 추가하면 하위 폴더는 컴파이일시 자동포함된다. 결론적으로 아래 그림 처럼 프로젝트 속성에서 Source Location 이라는 곳에 LXSL 경로 추가되면된다. 동영상. - 상기 상황예의 설정과정을 보이고 있다. ///1929 2018. 11. 28.
STM32 개발시 SW4STM32 / KEIL MDK-ARM 멀티 개발 환경 개요 타겟 MCU STM32 펌웨어 프로젝트 생성시 SW4STM32 에서도 작업가능하고 , 동일 프로젝트를 KEIL MDK-ARM 에서도 작업가능하게 프로젝트 멀티 IDE 환경( 폴더 및 STM32CubeMX 에서 프로젝트 생성등 ) 구축 방법 정리. SW4STM32, KEIL MDK-ARM 동시 개발환경 필요성. - SW4STM32의 컴파일러와 KEIL MDK-ARM 의 컴파일러가 다르고, 동일 소스임에도 컴파일러에 따라 다른 작동을 보여주는 경우도 간혹 있다. 2개 컴파일러 중 더 만족스러운 동작을 보이는것을 최종 활용할 목적 혹은 2개 IDE모두 오류없는 소스코드의 완성도 높일 목적.- KEIL MDK-ARM 은 유료 툴이고 가격도 비싼 편이다. 팀내 다른 사람이 이미 MDK-ARM 라이센스 모두 .. 2018. 11. 27.
STM32.L4x6시리즈 내장 플래시 개요 STM32L4x6 내장 플래시 메모리. 메모리 용량 : STM32L4x6 계열의 내장 플래시 메모리 용량 256kbyte, 512kbyte, 1Mbyte 지원.메모리 구성 : main memory 2 banks (Bank1, Bank2), Information Bblock 32kbyte per bank. erase 특성 : Page erase 2kbyte, Bank erase and Mass erase 본 글의 정보 from STM32L4x6 TRM pdf 페이지 96 부터. 플래시 메모리 맵 512kbyte 인 경우. 주의사항. - Size 2k byte는 정확하게는 2048 byte임. - Bank2 의 Page 번호는 Page 256으로 시작하고 있지만 코드내에서 접근시 Page 256이 Pa.. 2018. 11. 12.
조합. nRF24L01+ . STM32L4 nRF24L01+보드 + STM32L4 결선. nRF24L01+ 보드 STM32L476RET6 비고 CE PC13 . SPI CSN PC0 . SPI MISO SPI1 MISO . SPI MOSI SPI1 MOSI . SPI CLK SPI1 CLK . IRQ PA4 . VCC 보드의 3.3V Regulated Out . GND 보드의 GND . ST-LINK V2 와 전원공급용 USB 연결. 2018. 6. 2.
STM32L4x6. GPIO 일반. GPIO Each general-purpose I/O port has four 32-bit configuration registers (GPIOx_MODER, GPIOx_OTYPER, GPIOx_OSPEEDR and GPIOx_PUPDR), two 32-bit data registers (GPIOx_IDR and GPIOx_ODR) and a 32-bit set/reset register (GPIOx_BSRR). In addition all GPIOs have a 32-bit locking register (GPIOx_LCKR) and two 32-bit alternate function selection registers (GPIOx_AFRH and GPIOx_AFRL). GPIO main featur.. 2018. 5. 5.
STM32CubeMX. GPIO ///1643 2018. 4. 29.


비트코인




            암호화폐/외환/나스닥/골드          
       
현물 |선물 인버스 |선물 USDT , bybit MT5               프랍 트레이딩. MT4,MT5